
দ্য STM8S103F3P6 এটি একটি 8-বিট মাইক্রোকন্ট্রোলার যা এসটিএমক্রোইলেক্ট্রনিক্স দ্বারা উত্পাদিত, এর চিত্তাকর্ষক কার্যকারিতা এবং বিরামবিহীন সংহতকরণের জন্য খ্যাতিমান।এই কমপ্যাক্ট ডিভাইসটি একটি সারফেস-মাউন্টড ডিভাইস (এসএমডি) মাউন্টিং শৈলীতে সজ্জিত, একটি উন্নত কোর এবং পেরিফেরিয়ালগুলি মূর্ত করে যা কাটিং-এজ প্রযুক্তি ব্যবহার করে সাবধানতার সাথে উত্পাদিত হয়।16 মেগাহার্টজ একটি ঘড়ির ফ্রিকোয়েন্সি সহ, STM8S103F3P6 দক্ষ ডেটা প্রসেসিং এবং হ্যান্ডলিং নিশ্চিত করে একটি শক্তিশালী আই/ও সক্ষমতা নিয়ে গর্ব করে।এর স্বতন্ত্র ওয়াচডগ টাইমার, একটি স্বাধীন ঘড়ির উত্স এবং ঘড়ি সুরক্ষা সিস্টেমের সাথে সজ্জিত, সম্ভাব্য বাধাগুলির বিরুদ্ধে সর্বোত্তম ডিভাইস কর্মক্ষমতা এবং স্থিতিস্থাপকতার গ্যারান্টি দেয়।
এর স্ট্যান্ডআউট বৈশিষ্ট্যগুলির মধ্যে একটি হ'ল এর ফ্ল্যাশ মেমরি, যা কোড এবং ডেটার জন্য অ-উদ্বায়ী স্টোরেজ সরবরাহ করে।2.95 ভি থেকে 5.5 ভি পর্যন্ত বিস্তৃত একটি অপারেটিং ভোল্টেজের পরিসীমা সহ, এই মাইক্রোকন্ট্রোলারটি অত্যন্ত বহুমুখী এবং বিভিন্ন অ্যাপ্লিকেশনগুলির সাথে অভিযোজ্য।অতিরিক্তভাবে, এটি -40 ডিগ্রি সেন্টিগ্রেড থেকে 85 ডিগ্রি সেন্টিগ্রেডের বিস্তৃত অপারেটিং তাপমাত্রার পরিসীমা সরবরাহ করে, এটি বিভিন্ন পরিবেশগত পরিস্থিতিতে মোতায়েনের জন্য উপযুক্ত করে তোলে।
• এমএসপি 430 জি 2353
• PIC16LF18444T
• STM8S103F3P3
• STM8S103F3P3TR
• STM8S103F3P6TR


স্বল্প বিদ্যুতের খরচ: আইডল মোড, স্লিপ মোড, ডিপ স্লিপ মোড এবং অফ মোড সহ এটি বেছে নেওয়ার জন্য বিভিন্ন স্বল্প বিদ্যুৎ খরচ মোড রয়েছে যা কার্যকরভাবে ব্যাটারির জীবনকে প্রসারিত করতে পারে এবং শক্তি সঞ্চয় করতে পারে।
উচ্চ কার্যকারিতা: এটি উচ্চ-পারফরম্যান্স এসটিএম 8 কোর আর্কিটেকচার গ্রহণ করে, যা অপারেটিং ফ্রিকোয়েন্সিটিকে 16MHz এর চেয়ে বেশি হতে দেয়, যা নির্দেশের কার্যকরকরণের গতি ব্যাপকভাবে উন্নত করে এবং আমাদের অ্যাপ্লিকেশনগুলির জন্য আরও দক্ষ কম্পিউটিং ক্ষমতা সরবরাহ করে।
একাধিক যোগাযোগ ইন্টারফেস: এটি এসপিআই (সিরিয়াল পেরিফেরাল ইন্টারফেস), আই 2 সি এবং ইউআরটি সহ বিভিন্ন যোগাযোগের ইন্টারফেসকে সমর্থন করে।এই ইন্টারফেসগুলির মাধ্যমে, এটি আরও ফাংশন এবং অ্যাপ্লিকেশনগুলি অর্জনের জন্য সহজেই বাহ্যিক ডিভাইসের সাথে যোগাযোগ এবং ইন্টারঅ্যাক্ট করতে পারে।
প্রচুর পেরিফেরিয়ালস: এসটিএম 8 এস 103 এফ 3 পি 6 মাইক্রোকন্ট্রোলারের মধ্যে প্রচুর পেরিফেরিয়াল সংস্থান রয়েছে, যার মধ্যে 16 কেবি ফ্ল্যাশ মেমরি এবং 1 কেবি র্যাম মেমরির পাশাপাশি সাধারণভাবে ব্যবহৃত ইন্টারফেস যেমন জিপিআইও পিন, টাইমারস এবং ইউআরটি রয়েছে।এই পেরিফেরালগুলির বৈচিত্র্য ডিভাইসটিকে বিভিন্ন অ্যাপ্লিকেশন দৃশ্যের জন্য উপযুক্ত করে তোলে এবং বিভিন্ন ক্ষেত্র এবং শিল্পের চাহিদা পূরণ করতে পারে।এটি শিল্প নিয়ন্ত্রণ, স্মার্ট হোম বা এম্বেড থাকা সিস্টেমগুলিই হোক না কেন, STM8S103F3P6 সহায়তা সরবরাহ করতে পারে।

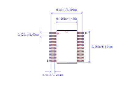
STM8S103F3P6 একটি পাতলা সঙ্কুচিত ছোট আউটলাইন প্যাকেজ (টিএসএসওপি) এ প্যাকেজ করা হয়েছে এবং এতে 20 পিন রয়েছে।শরীর এবং সীসা ব্যবধান স্ট্যান্ডার্ড সোইক প্যাকেজগুলির চেয়ে ছোট।টিএসএসওপি -র একটি সাধারণ বৈশিষ্ট্য হ'ল প্যাকেজযুক্ত চিপের চারপাশে পিন তৈরি করা, যা এটি এসএমটি প্রযুক্তি ব্যবহার করে পিসিবিগুলিতে মাউন্ট করার জন্য উপযুক্ত করে তোলে।টিএসএসওপি প্যাকেজ ব্যবহার করার সময়, পরজীবী পরামিতিগুলি (বর্তমানের বৃহত পরিবর্তনের কারণে আউটপুট ভোল্টেজের ব্যাঘাত) ছোট, সুতরাং এটি উচ্চ-ফ্রিকোয়েন্সি অ্যাপ্লিকেশনগুলির জন্য উপযুক্ত।এই ধরণের প্যাকেজটি পরিচালনা করতে আরও সুবিধাজনক এবং উচ্চতর নির্ভরযোগ্যতা রয়েছে।
টিএসএসওপি প্যাকেজটিতে নিম্নলিখিত বৈশিষ্ট্য রয়েছে:
• ছোট পিন স্পেসিং: পিন ব্যবধানটি সাধারণত 0.5 মিমি বা 0.65 মিমি হয়।সার্কিট বোর্ড কপার বারগুলির নকশার মাধ্যমে, একই অঞ্চল এবং আকারের সাথে সার্কিট বোর্ডে আরও ডিভাইস স্থাপন করা যেতে পারে।
Application প্রয়োগের বিস্তৃত সুযোগ: এটি বিভিন্ন অ্যাপ্লিকেশন ক্ষেত্রে যেমন মাইক্রোকন্ট্রোলার, ডিএসপি, মেমরি চিপস এবং পাওয়ার সাপ্লাই চিপসগুলিতে প্রয়োগ করা যেতে পারে।
• উচ্চ পিন গণনা: পিনের সংখ্যা সাধারণত 20 থেকে 64 এর কাছাকাছি হয়, যা নির্দিষ্ট কিছু চিপ সংহতকরণের প্রয়োজনীয়তা পূরণ করতে পারে।
• ছোট প্যাকেজের আকার: সাধারণ ছোট আউটলাইন (এসও) প্যাকেজগুলির সাথে তুলনা করে এর প্যাকেজের আকার ছোট, বেধ পাতলা এবং ভলিউম আরও ছোট, এটি উচ্চ ঘনত্বের সংহত সার্কিটগুলির প্যাকেজিংয়ের জন্য উপযুক্ত করে তোলে।
• উচ্চ কার্যকারিতা: এটি পৃষ্ঠতল মাউন্ট প্রযুক্তি গ্রহণ করে, ভাল পরিবাহিতা এবং জারা প্রতিরোধের রয়েছে এবং উচ্চ গতি, উচ্চ ফ্রিকোয়েন্সি, মিনিয়েচারাইজেশন ইত্যাদির মতো বিশেষ প্রয়োজনীয়তাগুলি পূরণ করতে পারে।
অন্যথায় নির্দিষ্ট না করা হলে, সমস্ত ভোল্টেজ ভিএসএসে উল্লেখ করা হয়।
পরিবেষ্টিত তাপমাত্রা, সরবরাহ ভোল্টেজ এবং ফ্রিকোয়েন্সিগুলি অন্তর্ভুক্ত করে ন্যূনতম এবং সর্বাধিক মানগুলি সর্বাধিক প্রতিকূল অবস্থার অধীনে গ্যারান্টিযুক্ত।এই গ্যারান্টিগুলি 100% ডিভাইসে সম্পাদিত কঠোর উত্পাদন পরীক্ষার মাধ্যমে প্রতিষ্ঠিত হয়, টিএ = 25 ডিগ্রি সেন্টিগ্রেড এবং টিএ = ট্যামাক্স (নির্বাচিত তাপমাত্রার পরিসীমা দ্বারা সংজ্ঞায়িত হিসাবে) এর পরিবেষ্টিত তাপমাত্রায় পরিচালিত।
বৈশিষ্ট্যগুলির ফলাফল, নকশা সিমুলেশন এবং/অথবা প্রযুক্তিগত বৈশিষ্ট্যগুলির উপর ভিত্তি করে মানগুলি টেবিল পাদটীকাগুলিতে বর্ণিত হয় এবং উত্পাদন পরীক্ষা করা যায় না।বৈশিষ্ট্য সম্পর্কে, ন্যূনতম এবং সর্বাধিক মানগুলি নমুনা মূল্যায়নের সাথে সম্পর্কিত এবং স্ট্যান্ডার্ড বিচ্যুতি (মানে ± 3σ) এর তিনগুণ বেশি প্লাস বা বিয়োগের পরিসীমা সহ গড় মানটি বোঝায়।
অন্যথায় স্পষ্টভাবে না বলা হলে, টিএ = 25 ডিগ্রি সেন্টিগ্রেড, ভিডিডি = 5 ভি দিয়ে স্ট্যান্ডার্ড ডেটা প্রতিষ্ঠিত হয় these
সম্পূর্ণ তাপমাত্রার পরিসীমা জুড়ে একটি স্ট্যান্ডার্ড প্রসারণ লট থেকে নমুনার সেটগুলির বৈশিষ্ট্যগুলির মাধ্যমে এডিসি মানগুলির সাধারণ নির্ভুলতা প্রতিষ্ঠিত হয়।এই প্রসঙ্গে, 95% ডিভাইস নির্দিষ্ট মানের মধ্যে একটি ত্রুটি প্রদর্শন করে (মানে ± 2σ)।
সুনির্দিষ্টভাবে নির্দেশিত না হলে, সমস্ত স্ট্যান্ডার্ড গ্রাফগুলি কেবলমাত্র ডিজাইনের রেফারেন্স হিসাবে চিহ্নিত করা হয় এবং পরীক্ষার সাপেক্ষে নয়।
নির্দিষ্ট পরম সর্বাধিক রেটিং অতিক্রম করার ফলে ডিভাইসে স্থায়ী ক্ষতি হতে পারে।এই রেটিংগুলি কেবলমাত্র স্ট্রেসের সীমাটি নির্দেশ করে যা ডিভাইসটি সহ্য করতে পারে এবং এটি বোঝানো হয় না যে ডিভাইসটি এই অবস্থার অধীনে সঠিকভাবে কাজ করবে।সর্বাধিক রেটিংয়ের বা কাছাকাছি অবস্থার এক্সপোজার ডিভাইসের নির্ভরযোগ্যতাকে বিরূপ প্রভাবিত করতে পারে।
ডিভাইসের মিশন প্রোফাইল, যা এর প্রয়োগের শর্তগুলির রূপরেখা দেয়, অনুরোধের ভিত্তিতে বর্ধিত মিশন প্রোফাইল সহ জেডেক জেসিড 47 যোগ্যতা স্ট্যান্ডার্ডকে মেনে চলে।
প্রাথমিক নিয়ন্ত্রকের জন্য স্থিতিশীলতা অর্জনের জন্য, সিইএক্সটি লেবেলযুক্ত একটি বাহ্যিক ক্যাপাসিটার ভিসিএপি পিনের সাথে সংযুক্ত হওয়া উচিত।সিরিজের অন্তর্ভুক্তি 15 এনএইচ এর নীচে থেকে যায় তা নিশ্চিত করা অপরিহার্য।
বর্তমান খরচ নিম্নলিখিত ছবিতে চিত্রিত হিসাবে পরিমাপ করা হয়।

রান মোডে মোট সরবরাহ বর্তমান খরচ
এমসিইউ নিম্নলিখিত শর্তে স্থাপন করা হয়েছে:
Per সমস্ত পেরিফেরিয়ালগুলি অক্ষম করা হয় (পেরিফেরিয়াল ক্লক গ্যাটিং রেজিস্টার দ্বারা ঘড়ি বন্ধ) স্পষ্টভাবে উল্লেখ করা ব্যতীত।
• ভিডিডি বা ভিএসএসে স্ট্যাটিক মান সহ ইনপুট মোডে সমস্ত আই/ও পিনগুলি (কোনও লোড নেই)
ভিডিডি এবং টিএর জন্য সাধারণ অপারেটিং শর্ত সাপেক্ষে।

STM8S103F3P6 এর 20 পিন রয়েছে, এর পিনের নাম এবং ফাংশনগুলি নিম্নরূপ:
পিন 1 (পিডি 4/ বীপ/ টিআইএম 2_ সিএইচ 1/ ইউআরটি 1 _ সি কে): পোর্ট ডি 4
পিন 2 (পিডি 5/ এআইএন 5/ ইউআরটি 1 _ টিএক্স): পোর্ট ডি 5
পিন 3 (পিডি 6/ এআইএন 6/ ইউআরটি 1 _ আরএক্স): পোর্ট ডি 6
পিন 4 (এনআরএসটি): পুনরায় সেট করুন
পিন 5 (পিএ 1/ওএসসিআইএন): পোর্ট এ 1
পিন 6 (পিএ 2/ওএসসিআউট): পোর্ট এ 2
পিন 7 (ভিএসএস): ডিজিটাল গ্রাউন্ড
পিন 8 (ভিসিএপি): 1.8 ভি নিয়ন্ত্রক ক্যাপাসিটার
পিন 9 (ভিডিডি): ডিজিটাল বিদ্যুৎ সরবরাহ
পিন 10 (পিএ 3/ টিম 2_ সিএইচ 3 [স্পি_ এনএসএস]): পোর্ট এ 3
পিন 11 (পিবি 5/ আই 2 সি_ এসডিএ [টিআইএম 1_ বকিন]): পোর্ট বি 5
পিন 12 (পিবি 4/ আই 2 সি_ এসসিএল): পোর্ট বি 4
পিন 13 (পিসি 3/ টিআইএম 1_ সিএইচ 3 [টিএলআই] [টিআইএম 1_ সিএইচ 1 এন]): পোর্ট সি 3
পিন 14 (পিসি 4/ সিএলকে_সিসিও/ টিআইএম 1_ সিএইচ 4/ আইএন 2/ [টিআইএম 1_ সিএইচ 2 এন]): পোর্ট সি 4
পিন 15 (পিসি 5/ এসপিআই_স্ক [টিআইএম 2_ সিএইচ 1]): পোর্ট সি 5
পিন 16 (পিসি 6/ এসপিআই_মোসি [টিআইএম 1_ সিএইচ 1]): পোর্ট সি 6
পিন 17 (পিসি 7/ এসপিআই_মিসো [টিআইএম 1_ সিএইচ 2]): পোর্ট সি 7
পিন 18 (পিডি 1/ সাঁতার): পোর্ট ডি 1
পিন 19 (পিডি 2/ এআইএন 3/ [টিআইএম 2_ সিএইচ 3]): পোর্ট ডি 2
পিন 20 (পিডি 3/ এআইএন 4/ টিম 2_ সিএইচ 2/ এডিসি_ ইটিআর): পোর্ট ডি 3
উপরের চিত্রটিতে যেমন দেখানো হয়েছে, STM8S103F3P6 চিপটিতে 16 আই/ও পিন রয়েছে, যা বিভিন্ন উদ্দেশ্যে যেমন জিপিআইও, পেরিফেরিয়াল ইন্টারফেস, এডিসি ইত্যাদি ব্যবহার করা যেতে পারে এর আই/ও পিনগুলি দ্বিপাক্ষিক এবং এটি দ্বিপাক্ষিক হতে পারে এবং এটি হতে পারেবাহ্যিক সংকেত পড়তে ইনপুট পিন হিসাবে বা বাহ্যিক ডিভাইসে সংকেত প্রেরণের জন্য আউটপুট পিন হিসাবে ব্যবহৃত হয়।তদতিরিক্ত, প্রতিটি আই/ও পিনটি যখন ঘটে তখন বাধাগুলির সঠিক প্রক্রিয়াজাতকরণের সুবিধার্থে একটি বাধা ভেক্টরকে স্বাধীনভাবে অর্পণ করা যেতে পারে।
• অটোমেশন সিস্টেমগুলি: এই মাইক্রোকন্ট্রোলারটি অটোমেশন সিস্টেমগুলিতে যেমন বৈদ্যুতিক পর্দা, অ্যাক্সেস নিয়ন্ত্রণ সিস্টেম, তাপমাত্রা নিয়ন্ত্রণ এবং আলোক নিয়ন্ত্রণের মতো ব্যবহার করা যেতে পারে।
Ot আইওটি (ইন্টারনেট অফ থিংস) অ্যাপ্লিকেশন: আমাদের যদি আইওটি ডিভাইসগুলি বিকাশ করতে হয় তবে এটি বিভিন্ন সেন্সর এবং যোগাযোগের মডিউলগুলি সংযোগ ও নিয়ন্ত্রণ করতে আইওটি নোডগুলির জন্য নিয়ামক হিসাবে ব্যবহার করা যেতে পারে।
• ব্যক্তিগত বৈদ্যুতিন ডিভাইস: ডিজিটাল ক্যামেরা, এমপি 3 এবং এমপি 4 প্লেয়ার, বৈদ্যুতিন গেম কনসোল ইত্যাদি ব্যবহার করা হয়েছে
• বৈদ্যুতিন সরঞ্জাম: বিভিন্ন বৈদ্যুতিন সরঞ্জাম বিকাশ করতে ব্যবহৃত
, যেমন বৈদ্যুতিন খেলনা, রিমোট কন্ট্রোলস, মিনি ক্যালকুলেটর ইত্যাদি ইত্যাদি
• শিল্প ক্ষেত্র: পিএলসি, শিল্প নিয়ন্ত্রণকারী, প্রক্রিয়া অটোমেশন এবং শিপ স্বয়ংক্রিয় নিয়ন্ত্রণ সরঞ্জাম ইত্যাদি ব্যবহৃত হয়
• ডেটা অধিগ্রহণ এবং সেন্সর ইন্টারফেস: পরিবেশগত পরিস্থিতি পর্যবেক্ষণ করতে এবং ডেটা সংগ্রহ করতে বা বিভিন্ন সেন্সর যেমন হালকা সেন্সর, তাপমাত্রা সেন্সর এবং আর্দ্রতা সেন্সরগুলিকে সংযুক্ত করতে ব্যবহৃত হয়।
• এম্বেডড কন্ট্রোল সিস্টেম: বিভিন্ন এম্বেড থাকা নিয়ন্ত্রণ ব্যবস্থা যেমন গৃহস্থালী সরঞ্জাম, শিল্প সরঞ্জাম, বিদ্যুৎ সরঞ্জাম ইত্যাদি ডিজাইন করতে ব্যবহৃত হয় এর 8-বিট প্রসেসিং শক্তি অনেকগুলি সাধারণ নিয়ন্ত্রণ কাজের জন্য যথেষ্ট।
STM8S103F3P6 একটি মাইক্রোকন্ট্রোলার চিপ যা এসটিএমক্রোইলেক্ট্রনিক্স দ্বারা বিকাশিত।এটি 8-বিট মাইক্রোকন্ট্রোলারগুলির এসটিএম 8 পরিবারের অন্তর্গত এবং বিভিন্ন এম্বেড থাকা সিস্টেম এবং আইওটি অ্যাপ্লিকেশনগুলিতে ব্যাপকভাবে ব্যবহৃত হয়।
STM8S103F3P6 মাইক্রোকন্ট্রোলার ইউনিটে 640 বিট রম, 10-বিট 5-চ্যানেল এডিসি, 1 কেবি র্যাম এবং 8 কেবি এর একটি প্রোগ্রাম মেমরির আকার রয়েছে।
আমরা STM8S103F3P6 MSP430G2353, PIC16LF18444T, STM8S103F3P3, STM8S103F3F3F3TR বা STM8S103F3P6TR এর সাথে প্রতিস্থাপন করতে পারি।
হ্যাঁ, STM8S103F3P6 কম-পাওয়ার বৈশিষ্ট্যগুলির সাথে ডিজাইন করা হয়েছে এবং ব্যাটারি চালিত বা নিম্ন-শক্তি অ্যাপ্লিকেশনগুলিতে ব্যবহার করা যেতে পারে যেখানে শক্তির দক্ষতা প্রয়োজনীয়।
STM8S103F3P6 এর কয়েকটি মূল বৈশিষ্ট্যগুলির মধ্যে রয়েছে জিপিআইও (সাধারণ উদ্দেশ্য ইনপুট/আউটপুট) পিন, ইউআরটি (ইউনিভার্সাল অ্যাসিঙ্ক্রোনাস রিসিভার/ট্রান্সমিটার) যোগাযোগ, আই 2 সি (আন্তঃ-সংহত সার্কিট) যোগাযোগ, এসপিআই (সিরিয়াল পেরিফেরাল ইন্টারফেস) যোগাযোগ, টিমার এবং আরও অনেক কিছু।
আমাদের সম্পর্কে
প্রতিবার গ্রাহক সন্তুষ্টি।পারস্পরিক বিশ্বাস এবং সাধারণ আগ্রহ।
লিথিয়াম কয়েন সেল সিআর 2354 এর প্রযুক্তিগত বৈশিষ্ট্য
2024-08-02
এটিএমইজিএ 328-পিইউ মাইক্রোকন্ট্রোলারের বিস্তৃত গাইড
2024-08-02
ইমেল করুন: Info@ariat-tech.comএইচকে টেলিফোন: +852 30501966যোগ করুন আরএম 2703 27 এফ হো কিং কম সেন্টার 2-16,
ফা ইউয়েন সেন্ট মংকক কাউলুন, হংকং।